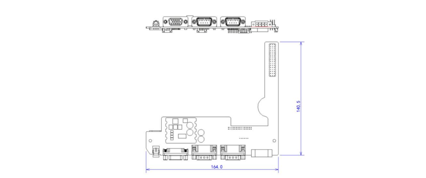
The EXB-D2243 expansion board adopts a modular design, integrating 1 VGA interface and 3 COM ports to meet diverse display and communication needs. It features an external switch button for convenient control and operation. With stable performance and easy integration, it is ideal for industrial automation, embedded systems, and control applications.

★ Modular Design — BlockCore for flexible multi-scenario use
★ Externally Switch Button
★ Specification Download
| Parameter | Description |
| Input Interface | 2 serial ports, 1 VGA, 1 power button, 1 pull-out switch interface. |
| Profile | L200 |
| Compatible Motherboard | CES-3802 |
| Power Supply | 5V DC from Motherboard Pin |
| Power Consumption | < 1W (typical) |
| Operating Temperature | -10°C to +60°C |
| Storage Temperature | -20°C to +70°C |
| Dimensions | 164 x 140.5mm |
| Mounting Method | Screw Holes |
Dimensions

IPC with EXB-D2243

UTC-S1592B